Privacy statement: Your privacy is very important to Us. Our company promises not to disclose your personal information to any external company with out your explicit permission.
หมายเลขรุ่น: HWE15000
แบรนด์: OEM ODER ที่ยอมรับได้
Origin: จีน
แหล่งพลังงาน: ไฮดรอลิก
ใบสมัคร: อัตโนมัติ
บรรจุภัณฑ์: กล่องส่งออก
การเดินทาง: Ocean,Air
สมุฏฐาน: จีน
ท่าเรือ: NINGBO,SHANGHAI
ชนิดการชำระเงิน: L/C,T/T,D/P
Incoterm: FOB,CFR,CIF
เครื่องกว้านไฮดรอลิกอุตสาหกรรม 15000 ปอนด์ หมายเลขรายการ HWE15000
สมบูรณ์แบบสำหรับการใช้งานพ่วง ยูทิลิตี้ และรถพ่วงส่วนใหญ่
เราแนะนำรอกไฮดรอลิกสำหรับอุตสาหกรรมรุ่น HEW15000 รุ่นใหม่ของเราซึ่งมีความสามารถในการดึง 15,000 ปอนด์ กว้านนี้ยังมีมอเตอร์ประสิทธิภาพสูงแบบดิสเพลสเมนต์ขนาดใหญ่ และระบบเบรก Pawl ที่วางอยู่ภายในตัวลดเกียร์ช่วยให้มั่นใจได้ถึงความน่าเชื่อถือทั้งหมดและให้การบำรุงรักษาที่สะดวกในการใช้งานทางวิศวกรรม
คุณสมบัติ:
1.) พบกับ European EN stardard
2.) เกียร์ดาวเคราะห์พร้อมระบบส่งกำลังที่มีประสิทธิภาพ
3.) การทำงานของคลัตช์แบบโอเวอร์เฮด เรียบง่ายและเชื่อถือได้
4.) กลองจะไม่ร้อนหลังจากใช้งานเป็นเวลานาน
5.) การออกแบบพิเศษสำหรับใช้ในอุตสาหกรรม
HWE15000
| SPECIFICATION | |
| Rated line pull | 15000 lbs (6804kgs) |
| Motor: permanent magnet | 160ml/r |
| Oil Flow | 5~60L/min |
| Pressure | 17.5Mpa |
| Gear reduction ratio | 17.2:1 |
| Cable (Dia.× L) | Ø15/32″×86.9 ‘ (Ø12mm×26.5m) |
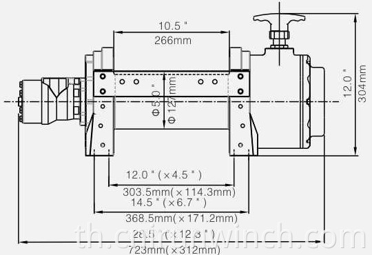
| Drum size (Dia.× L) | Ø5.0 “×10.5” (Ø127mm×266mm) |
| Mounting bolt pattern |
12.0 “×4.5 ” (303.5mm×114.3mm)
14.5 “×6.7” (368.5mm×171.2mm) 8-M12 |
|
Line pull lbs (kgs) |
Pressure Mpa(Psi) |
Flow G/min (L/min) |
Line speed ft/min(m/min) |
|
0 |
2.0(290) |
1.3(5) |
1.4(0.7) |
|
4000(1814) |
4.6(667) |
2.6(10) |
4.3(1.3) |
|
6000(2722) |
6.9(1000) |
5.3(20) |
8.9(2.7) |
|
8000(3629) |
9.2(1334) |
7.9 (30) |
13.1(4.0) |
|
10000(4536) |
11.5(1667) |
10.6(40) |
17.4(5.3) |
|
12000(5443) |
14.0(2030) |
13.2(50) |
22.0(6.7) |
|
12000(5443) |
14.0(2030) |
15.6 (60) |
26.2(8.0) |
|
Layer of cable |
Rated line pull lbs(kgs) |
Total rope on drum ft (m) |
|
|
1 |
15000(6804) |
29.5(9.0) |
|
|
2 |
12791(5807) |
65.6(20.0) |
|
|
3 |
11150 (5062) |
86.9(26.5) |
| ITEM | HWE15000 | ||
| Overall dimensions | 28.5″×12.3″×12.0″ | ||
| (L×W×H) | 723mm×312mm ×304mm | ||
| Net weight (Ibs) | 227 | ||
| (kgs) | 103 |


ประเภทผลิตภัณฑ์ : รอกอุตสาหกรรม > กว้านไฮดรอลิกอุตสาหกรรม
Privacy statement: Your privacy is very important to Us. Our company promises not to disclose your personal information to any external company with out your explicit permission.
Fill in more information so that we can get in touch with you faster
Privacy statement: Your privacy is very important to Us. Our company promises not to disclose your personal information to any external company with out your explicit permission.