Privacy statement: Your privacy is very important to Us. Our company promises not to disclose your personal information to any external company with out your explicit permission.
หมายเลขรุ่น: EWT4500A
แบรนด์: คำสั่งซื้อ OEM ที่ยอมรับได้
Origin: จีน
แหล่งพลังงาน: ไฟฟ้า
ใบสมัคร: ATV / UTV
แรงดันไฟฟ้า: 24 โวลต์, 12V
บรรจุภัณฑ์: กล่องส่งออก
การเดินทาง: Ocean,Air
สมุฏฐาน: จีน
ท่าเรือ: NINGBO,SHANGHAI
ชนิดการชำระเงิน: L/C,T/T,D/P
Incoterm: FOB,CFR,CIF
กว้านไฟฟ้า 4500lb Item No.EWT4500A
คุณสมบัติ:
1. เกียร์ลดเหล็กฟรี
2. โครงสร้างคลัตช์สิทธิบัตร
3. คลัตช์สปูลลิ่งฟรี
4. การเบรกแบบกรวยสกรูอัตโนมัติ
5. DC 12V หรือ DC 24V Power ไดรฟ์ตัวเลือก
6. ควบคุมสวิตช์การทำงาน crrunt สูงโดยตรง
7. การควบคุมสวิตช์แฮนด์รถเอทีวี
EWT4500
| SPECIFICATION | |
| Rated line pull | 4500 lbs (2041 kgs) |
| Motor: permanent magnet |
12V:Input: 2.5kW / 3.4hp; Output: 1.1 kW / 1.4hp
24V:Input: 2.6kW / 3.5hp; Output: 1.2kW / 1.5hp |
| Gear reduction ratio | 166:1 |
| Cable (Dia.× L) | Ø 15/64″×47.6′ (Ø6.0mm×14.5m) |
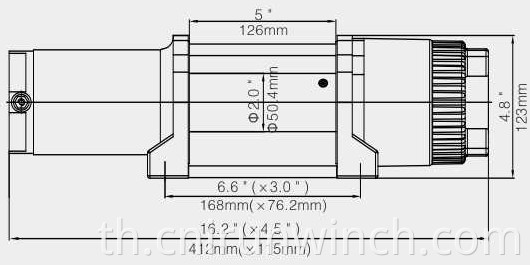
| Drum size (Dia.× L) | Ø 2.0″×4.9″ (Ø50.4mm×125 mm) |
| Mounting bolt pattern | 6.6″×3.0″ (168mm×76.2 mm) 4-M8 |
| Pull Speed Amperes Volts First layer | Line Pull And Rope Capacity In Layer | ||||||
|
Line Pull
Ibs (kgs) |
Line Speed
Ft/min (m/min) |
Current
A |
Layer
of cable |
Rated line pull
lbs(kgs) |
Total Rope On Drum
ft (m) |
||
| 12V DC | 24V DC | 12V DC | 24V DC | 1 | 4500(2041) | 10.8(3.3) | |
| 0 | 12.5(3.8) | 14.4(4.4) | 28 | 14 | 2 | 3833(1740) | 24.0(7.3) |
| 1000(454) | 8.5(2.6) | 11.1(3.4) | 140 | 50 | 3 | 3338(1515) | 39.4(12.0) |
| 2500(1135) | 6.2(1.9) | 8.8(2.7) | 170 | 90 | 4 | 2957(1342) | 47.6(14.5) |
| 4500(2041) | 5.2(1.6) | 4.6(1.4) | 220 | 110 | |||
| ITEM | EWT4500D | EWT4500A | EWT4500U |
| Overall dimensions |
16.2″×4.5″×4.8″
412mm×115mm×123 mm |
16.2″×4.5″×4.8″
412mm×115mm×123 mm |
16.3″×4.5″×6.6″
413mm×125mm×168mm |
| (L×W×H) | |||
|
Net weight (Ibs)
(kgs) |
29.8
13.5 |
32.4
14.7 |
32.4
14.7 |

ขนาดโดยรวม: 16.2″x4.5″x4.8″
(ยxกxส) 412mmx125mmx123mm
น้ำหนักสุทธิ: 14.7 กก.

ประเภทผลิตภัณฑ์ : รอก Atv และ Utv > เครื่องกว้านแบบเคียงข้างกัน
Privacy statement: Your privacy is very important to Us. Our company promises not to disclose your personal information to any external company with out your explicit permission.
Fill in more information so that we can get in touch with you faster
Privacy statement: Your privacy is very important to Us. Our company promises not to disclose your personal information to any external company with out your explicit permission.